Oubliez la poésie : lire un schéma électrique de voiture n’a rien d’un parcours initiatique. C’est un code, un langage strict, sans place pour l’approximation. Ici, chaque trait, chaque lettre, chaque chiffre compte, et la moindre ambiguïté peut semer la confusion sur un circuit. Pourtant, tout commence par la base, comme pour l’alphabet : il faut connaître les symboles, puis les identificateurs. Deux outils pour un même objectif : ne jamais se tromper de fil, ni de composant.
Symboles électriques pour diagrammes électriques
Symboles électriques modulaires (pour panneau électrique)
Symbole de fonction :
Avant d’oser s’attaquer à un schéma, mieux vaut reconnaître les figures principales. Pour visualiser rapidement les équipements modulaires, appuyez-vous sur ces repères :
A lire également : Croissance urbaine : comprendre ses implications et ses enjeux
- Disjoncteur : 0
- Sectionneur : 1
- Sectionneur d’interrupteur : 2
- Fonction de déclenchement automatique : 3
- Contact rapproché : 4
- Contact ouvert : 5
- Contact rapproché différé : 6
- Bobine de contrôle : 7
- Protection thermique : 8
- Protection magnétique : 9

- Tore différentiel
- Horloge : 11
- Minuteur : 12

A lire également : Droit de prendre des photos : qui peut le faire sans autorisation ?
- Minuteur : 13
- Téleruptor : 14
Appareillage modulaire à fonction simple :
Certains composants savent rester sobres et évitent toute complexité :
- Sectionneur : 15

- Interrupteur : 16
- Fusible : 17
- Contacteur : 18
- Disjoncteur : 19

- Bouton-poussoir à fermeture et retour automatique : 20
- Fermeture à glissière automatique à ouverture et retour : 21
Dispositif de commutation multifonction modulaire :
Certains symboles correspondent à des dispositifs polyvalents :
- Interrupteur fusible : 22
- Bouchon fusible : 23

- Fusible de sectionneur : 24

- Fusible d’épissure : 25
- Disjoncteur différentiel : 26

- Interrupteur différentiel : 27
- Disinterrupteur : 28
- Sectionneur d’interrupteur : 29

- Disjoncteur : 30
- Disjoncteur tripolaire magnéto-thermique : 31
- Contacteur tripolaire bidirectionnel avec contact auxiliaire : 32
Symboles contre les surtensions :
Il existe aussi des symboles incontournables dédiés à la protection :
- Scout : 33
- Limiteur de surtension : 34
- Paratonnerre : 35 (paratonnerre à diagramme monobloc)
Liste des symboles du plan électrique architectural
Sur les plans électriques d’un bâti, une grande diversité de symboles s’invite :
- Allumage à un seul interrupteur : 36
- Interrupteur d’allumage simple avec voyant lumineux : 37
- Double allumage : 38
- Va et vient : 39

- Interrupteur bipolaire : 40
- Double va et vient : 41
- Variateur d’intensité : 42
- Bouton-poussoir : 43
- Bouton-poussoir avec voyant lumineux : 44
- Commande à clé : 45
- Appareillage en point d’attente : 46
- Éclairage de point d’attente – Applique murale : 47
- Prise 2P T : 48
- Prise murale 2P T avec volets : 49

- Douille de rasoir (transformateur séparateur intégré) : 50
- Support de prise de communication : 51
Conducteurs et connecteurs électriques
Voici les principaux symboles utilisés pour l’identification des conducteurs et connexions :
- Pilote de phase : 52
- Fil neutre : 53
- Conducteur de mise à la terre et protection : 54
- Enchevêtrement de conducteur protecteur et neutre : 55
- Câblage triphasé (5 conducteurs, un neutre, une terre) : 56
- Type de connexion électrique : 57

- Intersection de deux conducteurs avec raccordement : 58
- Intersection sans connexion : 59
- Distraction : 60
- Boîte de jonction : 61
- Symbole général de la Terre : 62
- Terre protectrice d’un circuit : 63
- Masse ou châssis d’un appareil : 64
Autres symboles électriques
Symbole des récepteurs électriques
- Résistance : 65
- Inductance : 66
- Capacité : 67
- Lampe d’éclairage : 68
- Tube fluorescent : 69

- Moteur : 70
- Chauffage : 71
- Chaudière : 72
- Équipement à double isolation (classe 2) : 73
- Sécurité des blocs d’éclairage autonomes : 74
Production et transformation d’énergie
- Générateur : 75
- Transformateur : 76
- Transformateur de courant : 77
- Transformateur de sécurité : 78
- Redresseur : 79
- Convertisseur CC/CC : 80
- Onduleur : 81
Appareils de mesure et de signalisation
- Voltmètre : 82
- Ampèremètre : 83
- Compteur de puissance : 84
- Diamètre : 85
- Fréquencemètre : 86
- Buzzer : 87
- Sonnerie : 88
- Sirène : 89
Identification des éléments dans un diagramme électrique
Décrypter un schéma électrique ne se limite pas aux dessins : chaque module doit être repéré précisément pour éviter tout faux pas.
Un terme à retenir : l’élément. Sur un plan de câblage, chaque appareil ou module porte ce nom. Un élément forme un bloc de bornes marquées qui ne peut être divisé, comme c’est le cas d’un disjoncteur.
La clé du repérage : associer lettres et chiffres pour qu’aucune équivoque ne subsiste. Ce système garantit une lecture partagée et fiable : chaque élément du schéma possède son code, accessible à tous, qu’on soit novice ou professionnel chevronné.
- La base du repérage passe par des lettres, de A à Z.
- Des chiffres (de 0 à 9) viennent compléter, en système décimal.
Des composants identiques se glissent souvent à plusieurs endroits : l’identifiant alphanumérique met fin à la confusion. Et pour localiser chaque élément sur le terrain, les emplacements sont précisés, assurant une utilisation fluide du plan.
Identification des éléments de circuit électrique
L’identifiant agit comme un véritable nom de code. Ce marquage utilise un trio d’informations : nature, fonction et numéro de série de l’élément.
- On indique d’abord le type d’élément.
- Ensuite, on précise éventuellement la fonction.
- Enfin, un numéro unique différencie chaque module.
Identification du type d’élément
Retenez ces lettres de référence pour repérer rapidement chaque équipement :
- F : dispositifs de sécurité comme les fusibles ou le paratonnerre
- G : génération d’énergie (batteries, alternateurs…)
- H : équipements de signalisation, visuels ou sonores
- K : relais ou commutateurs, le contacteur diurne, par exemple, porte la lettre K suivie d’un chiffre

Le schéma ci-dessus affiche deux commutateurs tétrapolaires, tous deux désignés par la lettre K.
- L : inductances telles que bobines
- M : moteurs
- P : tout ce qui relève de la mesure : indicateur, enregistreur…
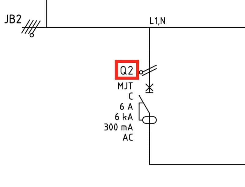
- Q : dispositifs de coupure, disjoncteur ou sectionneur

Dans cet autre exemple, la lettre Q sert à repérer le disjoncteur.
- R : résistances (potentiomètres…)
- S : commandes mécaniques (bouton-poussoir…)
- T : transformateurs
- X : connecteurs et prises
Système de coordonnées de fonction
En milieu industriel, la lettre de fonction accompagne la lettre de type pour préciser le rôle de l’élément. Voici quelques habitudes de notation :
- Automaticité (aucune lettre dédiée indiquée ici)
- M pour Manuel
- AR pour Arrière, AV pour Avant
- BA pour Bas, HA pour Haut
- GA pour Gauche, DR pour Droite
- MO pour Montée, DE pour Descente
- FE pour Fermeture, OR pour Ouverture
- MA pour Marche, AT pour Arrêt
- ES pour En service, HS pour Hors service
- PV pour Petite vitesse, GV pour Grande vitesse
- FR pour Freins
- INC pour Augmentation, DEC pour Réduction
- I pour Intensité, U pour Tension, P pour Puissance
- AC pour Courant alternatif, DC pour Courant continu
- Y pour Accouplement étoile, D pour Accouplement triangle
Numérotation des éléments et symboles
Quand le schéma met en scène plusieurs éléments de même type, cette série ne prend tout son sens qu’avec une numérotation claire. C’est ainsi que chaque disjoncteur d’un tableau se distingue nettement de son voisin.
Exemple d’identification
Bien souvent, le schéma se contente d’indiquer seulement le type d’élément, mais réunir type, fonction et numéro facilite toute intervention ; parmi les cas concrets fréquemment rencontrés :
- MCC1 : premier moteur courant continu
- Q1 : premier disjoncteur
- KA2 : deuxième interrupteur auxiliaire
Marquage des bornes dans un schéma électrique
Sur des installations étoffées, numéroter les bornes élimine les erreurs au raccordement : chaque borne se distingue par un chiffre, en séquence croissante, sur le schéma du composant.
Bornes d’un élément simple
Un appareil isolé ? Sa séquence de bornes suit un ordre logique, sans répétition.
Marquage des bornes par groupe
Lorsque plusieurs éléments identiques forment un groupe, chaque borne prend une lettre puis un chiffre : pour un moteur triphasé, l’habitude est la suivante :
- U1 U2
- V1 V2
- W1 W2
Marquage des contacts électriques
Le repérage des contacts se fait selon leur nature :
- 1 à 4 : contacts principaux monophasés
- 1 à 6 : contacts principaux triphasés
- 1 à 8 : contacts tétrapolaires
Pour les auxiliaires :
- 1 et 2 pour chaque contact d’ouverture
- 3 et 4 pour les contacts rapprochés
- 5, 6 ou 7, 8 : cas particuliers
En cas de multiplicité des contacts auxiliaires, la dizaine vient distinguer chaque paire. Du côté des relais, les contacts de commande s’appellent A1 et A2 (monostable), ou A1/A2 B1/B2 pour le bistable.
Identification des conducteurs
L’identification des conducteurs se révèle indispensable pour ceux qui veulent distinguer la phase et le neutre, qu’on parle de monophasé ou de triphasé. Dans un schéma, la codification est la suivante :
Alimentation monophasée CA :
- Phase : L
- Neutre : N
Alimentation triphasée CA :
- L1 pour la phase 1
- L2 pour la phase 2
- L3 pour la phase 3
- N pour le neutre
Alimentation continue :
- L+ : positif
- L- : négatif
Conducteurs de terre et de protection :
- Conducteur de protection : PE
- Protection du conducteur et neutre commun : PEN
- Conducteur de terre : E
Symboles électriques et suivi avec un exemple
Pour mieux saisir l’ensemble, observez un schéma classique : chaque symbole déjà listé y prend vie, des éléments de circuit aux bornes numérotées et contacts précisément repérés.
Exemple de schéma électrique : les symboles
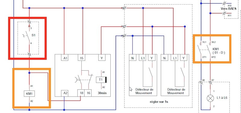
À travers ce schéma, certains éléments ressortent sans équivoque :
- Disjoncteurs différentiels clairement identifiés
- Un contacteur parfaitement associé
Disjoncteurs différentiels rouges, dans la zone orange du contacteur : identification des éléments
Chaque module se distingue grâce à son identifiant alphanumérique : Q1, Q2, Q3 pour les trois disjoncteurs différentiels par exemple, Q indiquant ici la fonction de coupure et le numéro garantissant l’unicité. KM1 désigne un contacteur ; S1 un bouton à position maintenue.

Codification des modules du schéma de câblage. Rouge : interrupteur, orange : contacteur : marquage des bornes
Sur les appareils de commutation ou les récepteurs, les bornes s’identifient par X suivi d’un nombre croissant. Un bloc de sécurité autonome, lui, illustre ce principe : bornes X10 et X11.

Borne sur le diagramme : la numérotation apparait (ici X10 et X11) : contacts électriques repérés
Sur ces schémas, chaque contact est marqué de façon lisible. Un simple coup d’œil permet de retrouver les bornes principales monophasées, notées de 1 à 4.
Où trouver des listes de symboles électriques ?
Ce contenu joue déjà le rôle de référence pour les symboles à utiliser lors de la réalisation d’un plan ou d’un schéma électrique. Gardez-le sous la main : il répond à la plupart des besoins. Il existe aussi quelques ouvrages publiés par des organismes comme Promotelec, mais leur guide reste peu généreux : un prix élevé pour cinq pages seulement, bien en dessous des espérances. Les ressources accessibles gratuitement en ligne se montrent souvent plus ambitieuses et mieux adaptées.
Les symboles électriques et leur repérage : un langage universel
Lire un schéma électrique revient à s’approprier un langage précis, partagé par toute la filière. Comprendre cette grille de symboles, c’est ouvrir la porte à la maintenance comme à l’amélioration de n’importe quel circuit. Face à ce dédale codifié, la lisibilité l’emporte enfin sur le doute : le circuit cesse d’être une énigme hermétique et devient un terrain déchiffrable, accessible à tous.

